Štapni termostat Bez regulacije Thermowatt – Italija RTS 300 75/95 181356
Opis
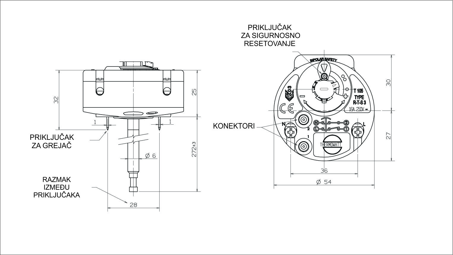
Dvopolni:
Temperatura zaštitna = 95°C 659.92
Dužina sonde: 280 mm
16 A, 250 V ~
Thermowatt, Italija, EU
Dvopolni:
Temperatura zaštitna = 95°C 659.92
Dužina sonde: 280 mm
16 A, 250 V ~
Thermowatt, Italija, EU